BWPK25-05是奧托尼克斯光幕眾多型號中的一個,是一款超薄型(厚度10mm)小尺寸篩選區域傳感器,采用采用塑料外殼,是一種小型/緊湊尺寸(W30×H140×T10mm)的光幕傳感器??蓪崿F遠距離/近距離檢測模式切換功能(選擇檢測距離功能)、抗相互干擾功能(頻率切換功能)、Light ON/Dark ON可選、內置篩選指示燈、防護等級IP40(IEC規格)
一、其具體參數如下:
*以上重量未包含外包裝。
二、產品尺寸圖:單位:mm
三、安裝支架尺寸圖:單位:mm
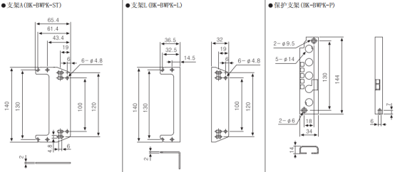
四、支架尺寸圖:單位:mm
五、輸入/輸出連接圖
*篩選指示燈:當外部P.I.輸入和輸出(黑線)短接時,它的動作與控制輸出的ON/OFF狀態相同。
六、動作模式
*篩選指示燈的動作與篩選輸入相同,否則不管任何操作模式都保持為OFF。
*以上時序圖僅針對Light ON模式,Dark ON模式時相反。
以上是關于奧托尼克斯光幕BWPK25-05小型塑料外殼區域傳感器產品參數說明的全部內容介紹,這款產品體積比較小,適合使用在一些對安裝空間要求比較高的區域,可以用于控制組裝配件的停止、確認配件的提取、檢測物體的掉落、檢測物體的垂落等等,應用范圍比較廣。大家若是對這款光幕傳感器有比較高的興趣或是對這款產品的參數還有不了解的地方,歡迎給我們留言或是來電,我們會第一時間為您解答您的疑惑!




客服